JCJ-B靜態交流沖擊繼電器-上海上繼科技有限公司
發表時間:2019-11-27 10:25 瀏覽次數:1248 〖返回〗
一、JCJ-B靜態交流沖擊繼電器工作原理
繼電器由電源穩壓、變流取樣、執行動作等部分組成( 見圖1) ,產品內部裝有二只發光二極管來監視電源和執行狀況,當加入輔助電源后一旦啟動回路中有信號輸入,電流脈沖信號經過變流取樣后,使執行部分工作并輸出信號動作。當啟動信號源一直存在/不存在的情況下繼電器一直處于保持動作狀態,當輔助電源消失繼電器便自動復歸。即使再突加輔助電源繼電器也不會動作。

二、JCJ-B靜態交流沖擊繼電器技術參數
1、最小沖擊動作電流: 0.2A
2、**沖擊動作電流: 4A
3、功率消耗:
a、工作回路功率消耗:交流48V時≤1.5W;交流110V時≤3W;交流220V時≤5.5W
b、啟動回路功耗:沖擊交流電流為4A時≤1.5W,如對沖擊電流有特殊要求訂貨時需注明。
4、繼電器絕緣電阻不小于100Ma。
5、觸點容量:在電壓不超過250V,電流不超過5A產品輸出觸點斷開容量為50W。產品可靠動作及返回5X104,輸出觸點長期允許接通電流為5A。
6、介質強度:在基準條件下,產品各導電部分連在一起,對外露非帶電金屬部分及外殼之間能承受交流50HZ電壓2KV、歷時1min的耐壓試驗而無擊穿或閃絡現象。
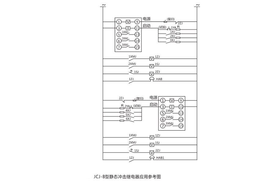
三、JCJ-B靜態交流沖擊繼電器接線圖


四、JCJ-B靜態交流沖擊繼電器開孔尺寸

公司介紹:上海上繼科技有限公司是一家專業從事電力系統繼電保護及智能電網電力自動化產品的研發、設計、生產、銷售和服務為一體的高科技公司。擁有資深繼電保護專家團隊和國內**的檢測儀器及校驗設備。同時還引用國內外先進技術,來進行技術創新。本公司的產品廣泛用于電力、工礦、鐵路、建筑等國家重大工程輸配變電系統上,產品遠銷東南亞及中東地區。產品通過國家繼電保護及自動化設備質量監督檢驗中心檢測,獲得ISO9001國際質量體系認證。“科技創新,誠信務實”是公司的經營理念,本公司以高超的技術支持和對用戶高度負責的售后服務贏得了輸配電成套企業的信賴,且樹立了良好的信譽。
上海上繼科技有限公司(專注電力保護繼電器生產廠家)銷售熱線:021-57233089 QQ:1932551438
{以上內容僅供參考,上海上繼科技有限公司有最終解釋權}
更多繼電器精彩文章——ZC-23A沖擊繼電器
- 上一篇:JCJ-B交流沖擊繼電器
- 下一篇:JT-1同步檢查繼電器





