JL-B/33DK電流繼電器主要用途及產品圖片-上海上繼科技有限公司
發表時間:2019-12-04 20:51 瀏覽次數:1090 〖返回〗
一、JL-B/33DK無輔源電流繼電器主要用途
JL-B/33DK無輔源電流繼電器作為繼電保護元件,主要用于發電機、變壓器、輸變電線路中,作為電力系統交流回路過負 荷或短路的啟動元件,給出報警信號或切除故障。 本系列繼電器采用CMOS集成電路進行運算和比較、具有精度高、防抖動、整定范圍寬、動作速度快、返回系數高、功耗低的 特點。可完全替代DL-10、DL-20、DL-30電磁型電流繼電器。還增加了SJ-4新型殼體,35mm標準導軌安裝。外形緊湊,安裝方便。
二、JL-B/33DK無輔源電流繼電器型號命名及含義

三、JL-B/33DK電流繼電器的技術數據
1 整定范圍 0.5~9.99A,級差為0.01A
2~99.9A,級差為0.1A
2 動作時間 1.2倍整定電流,動作時間不大于25mS。
2倍整定電流,動作時間不大于20mS。
3 返回系數 過電流繼電器:0.9~0.97;欠電流繼電器:1.05~1.15。
4 整定誤差 小于2%。
5 功耗 繼電器動作,功耗小于5W,繼電器不動作,功耗小于4W。
6 觸點容量 在電壓不大于250V時,觸點連續接通電流為5A;
在電壓不大于250V時,電路時間常數L/R為5mS的直流電路中,可斷開30W。
在電壓不大于250V時,功率因數COSΦ為0.4的交流電路中,可分斷200VA。
7 觸點壽命 電壽命:105 次, 機械壽命:106次。
8 絕緣電阻 繼電器各導電端子連在一起,對外露非帶電金屬部分或外殼之間,用開路電壓為500V的兆歐表測量其絕緣電阻不 小于300MΩ。
9 介質強度 繼電器各帶電端子連在一起,對外露飛帶電端子或外殼之間能承受有效值為2000V,50Hz的交流電壓,歷時1分鐘 而不擊穿,不出現閃絡現象。
10 抗干擾性能 繼電器的抗干擾負荷DL478-92《靜態繼電保護及安全自動裝置通用技術條件》 。
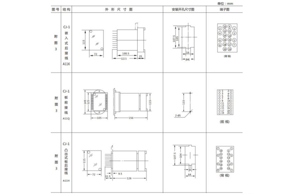
四、JL-B/33DK無輔源電流繼電器外形結構及開孔尺寸圖

五、JL-B/33DK無輔源電流繼電器接線圖

公司介紹:上海上繼科技有限公司是一家專業從事電力系統繼電保護及智能電網電力自動化產品的研發、設計、生產、銷售和服務為一體的高科技公司。擁有資深繼電保護專家團隊和國內**的檢測儀器及校驗設備。同時還引用國內外先進技術,來進行技術創新。本公司的產品廣泛用于電力、工礦、鐵路、建筑等國家重大工程輸配變電系統上,產品遠銷東南亞及中東地區。產品通過國家繼電保護及自動化設備質量監督檢驗中心檢測,獲得ISO9001國際質量體系認證。“科技創新,誠信務實”是公司的經營理念,本公司以高超的技術支持和對用戶高度負責的售后服務贏得了輸配電成套企業的信賴,且樹立了良好的信譽。
公司主營:繼電器(時間繼電器,電壓繼電器,電流繼電器,中間繼電器,信號繼電器,閃光繼電器,沖擊繼電器,同步檢查繼電器,接地繼電器,差動繼電器,重合閘繼電器,絕緣監視繼電器,雙位置繼電器,模數化繼電器),微機保護裝置,電力儀表,智能操控裝置
上海上繼科技有限公司(專注電力保護繼電器生產廠家)銷售熱線:021-57233089 QQ:1932551438
{以上內容僅供參考,上海上繼科技有限公司有最終解釋權}
更多繼電器精彩文章——DZL-217X中間繼電器說明書及主要性能





