DLS-20雙位置繼電器接線圖及參數-上海上繼科技有限公司
發表時間:2019-07-02 16:46 瀏覽次數:1026 〖返回〗
一、DLS-20雙位置繼電器的概述
DLS-20雙位置繼電器用于直接操作的各種保護和自動控制中,以實現機械閉鎖,并有位置指示。
二、DLS-20雙位置繼電器的結構特點
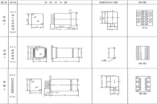
該繼電器采用JK-11K、 H、 Q型標準化殼體,具有嵌入式板后接線(JK-11K)、凸出式板后接線和凸出式板前接線(JK-1Q)三種結構形式。
三、DLS-20雙位置繼電器的參數
DLS-20雙位置繼電器主要技術數據見表 。

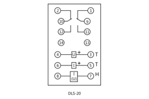
四、DLS-20雙位置繼電器的接線圖

五、DLS-20雙位置繼電器的開孔尺寸
DLS-20采用A11殼體,如圖所示

上海上繼科技有限公司是一家專業從事電力系統繼電保護及智能電網電力自動化產品的研發、設計、生產、銷售和服務為一體的高科技公司。本公司擁有優越的地理環境和高超的技術支持,同時厲害不斷引進國內外的先進技術,進行技術創新,主要生產電力繼電器及微機綜合保護裝置,電力智能配電設備,變電站自動化監控系統。產品應用廣泛,銷路不僅遍布國內,還遠銷東南亞及中東地區。并且本公司的產品都是有硬核的質量保障。所以大家請放心購買。
上海上繼科技有限公司(專注電力保護繼電器生產廠家)銷售熱線:021-57233089 QQ:1932551438
{以上內容僅供參考,上海上繼科技有限公司有最終解釋權}
更多繼電器精彩文章——DLS-32A雙位置繼電器的接線圖及開孔尺寸





