DX-4A/3信號繼電器技術數據及廠家介紹-上海上繼科技有限公司
發表時間:2019-07-10 09:17 瀏覽次數:1210 〖返回〗
一、DX-4A/3信號繼電器的概述
繼電器是自動控制系統中常用的器件,它用于接通和斷開電路,用以發布控制命令和反映設備狀態,以構成自動控制和遠程控制電路。各個領域的自動控制無一不采用繼電器。鐵路信號技術中廣泛采用的繼電器,稱為信號繼電器(在信號系統中,可簡稱繼電器),是鐵路信號中的重要部件。它無論作為繼電式信號系統的核心部件,還是作為電子式或計算機式信號系統的接口部件,都發揮著重要的作用。繼電器的動作的可靠性直接影響到信號系統的可靠性和安全性。
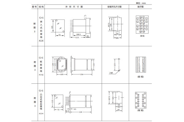
二、DX-4A/3信號繼電器的開孔尺寸

三、DX-4A/3信號繼電器的參數
●工作繞組額定值:DC 6V、12V、24V、48V、110V、220V、0.0lA、0.015A、0.02A、0.025A、0.03A、0.04A、 0.05A、 0.075A、0.08A、0.1A、0.15A、0.2A、0.25A、0.5A、0.75A、lA、2A、4A、0.06A。
●復歸繞組額定值:6V、12V、24V、48V、110V、220V。
●動作值:動作電壓不大于70%額定值;動作電流不大于90%額定值。
●復歸電壓:不大于70%。
●返回值:不小于2%額定值。
●功率消耗:電壓型不大于2W;電流型不大于0.2W。
●觸點容量:保持觸點在220V,電流不超過lA的直流有感電路中(時間常數為5±0.75ms),分斷容量為50W,瞬時觸點為30W,在220V電流不超過lA的交流電路中分斷容量為200VA。
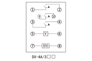
四、DX-4A/3信號繼電器的接線圖

五、DX-4A/3信號繼電器的廠家介紹
上海上繼科技有限公司是一家專業從事電力系統繼電保護及智能電網電力自動化產品的研發、設計、生產、銷售和服務為一體的高科技公司。擁有資深繼電保護專家團隊和國內**的檢測儀器及校驗設備。同時還引用國內外先進技術,來進行技術創新。本公司的產品廣泛用于電力、工礦、鐵路、建筑等國家重大工程輸配變電系統上,產品遠銷東南亞及中東地區。產品通過國家繼電保護及自動化設備質量監督檢驗中心檢測,獲得ISO-9001:2000國際質量體系認證。“科技創新,誠信務實”是公司的經營理念,本公司以高超的技術支持和對用戶高度負責的售后服務贏得了輸配電成套企業的信賴,且樹立了良好的信譽。
上海上繼科技有限公司(專注電力保護繼電器生產廠家)銷售熱線:021-57233089 QQ:1932551438
{以上內容僅供參考,上海上繼科技有限公司有最終解釋權}
更多繼電器精彩文章——DX-33/1信號繼電器技術數據及接線圖





