JWY-43A電壓繼電器參數及開孔尺寸-上海上繼科技有限公司
發表時間:2019-07-27 08:49 瀏覽次數:1034 〖返回〗
一、JWY-43A電壓繼電器的用途
JWY-43A無輔助源電壓繼電器用于發電機,變壓器和輸電線的繼電保護裝置中, 作為過電壓保護或低電壓閉鎖的啟動元件。本繼電器 為集成電路靜態型繼電器,精度高、功耗小、動作時間短、返回系數高、整定直觀方便、范圍寬,且作為低電壓繼電器使用無抖動現象,無 需直流輔助電源完全可以替代電磁型電壓繼電器。
JWY無輔助源電壓繼電器分為三個系列:JWY-10、JWY-20、JWY-30,可分別替代 DJ-100、DY-20C、DY-30等系列電磁型 電壓繼電器。JWY 系列集成電路電壓繼電器采用撥碼開關整定電壓值,用數字倍率開關切換,改變后無需校驗。
二、JWY-43A電壓繼電器的參數
1、交流額定值:100V/50Hz
2、過載能力:交流回路允許長期接通1.2倍額定值。
3、電壓整定范圍:15-240V、80-440V,級差為1V。
4、功率消耗: a、交流回路功耗小于1.5VA(交流額定值100V時)
5、整定誤差
a、在整定范圍內,整定平均誤差的絕對值不大于3%,平均誤差=(5次測量平均值-整定值)/整定值×100%。
b、在基準條件下,同一整定值上測量的5次動作值的**值和最小值應不大于的4%。
c、在-10℃~50℃的溫度下,任一整定點誤差的絕對值應不大于整定值的4%。
6、動作時間
a、過電壓繼電器:1.2倍整定值的動作時間不大于40ms;2倍整定值的動作時間不大于35ms;
7、返回系數
a、過電壓繼電器返回系數為0.85~0.95;
b、低電壓繼電器返回系數為1.02~1.12。
8、返回時間:不大于27ms。
三、JWY-43A電壓繼電器的調試方法
1. 繼電器在使用前應檢查有無在運輸中產生的損壞,即將繼電器整定在第一整定點上,用手將可動系統往磁極方向轉動,然后放開,可動系統應當轉回到原來位置,直到止擋。
2. 繼電器重新調整時,必須保證:
a. 可動系統的軸向活動量在0.15~0.25mm之間;
b. 動片和磁極間的氣隙應均勻,在任何動作情況下,動片和磁極不應相碰;
c. 在動作過程中,可動系統不得停滯在中間位置;
d. 當指針由第一刻度旋向**刻度時,游絲各圈不得相碰;
e. 當觸點在打開位置時,動靜觸點間總氣隙不小于1.5mm;
f. 靜觸點片和限制片間的間隙為0.1mm~0.3mm。
3. 繼電器最小整定值的調整,主要是改變游絲的反作用力的大小,**整定值的調整主要是改變動片和磁極間的氣隙等。
四、JWY-43A電壓繼電器的觸點性能
a. 觸點斷開容量:在直流有感(τ= 5ms)回路,U≤250V,I≤2A,為50W;在交流(cosφ=0.4)回路,U≤250V,I≤2A,為250VA。
b. 電壽命:5×10次。
c. 機械壽命為10次。
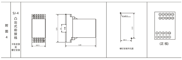
五、JWY-43A電壓繼電器的開孔尺寸

公司介紹:上海上繼科技有限公司是一家專業從事電力系統繼電保護及智能電網電力自動化產品的研發、設計、生產、銷售和服務為一體的高科技公司。擁有資深繼電保護專家團隊和國內**的檢測儀器及校驗設備。同時還引用國內外先進技術,來進行技術創新。本公司的產品廣泛用于電力、工礦、鐵路、建筑等國家重大工程輸配變電系統上,產品遠銷東南亞及中東地區。產品通過國家繼電保護及自動化設備質量監督檢驗中心檢測,獲得ISO-9001:2000國際質量體系認證。“科技創新,誠信務實”是公司的經營理念,本公司以高超的技術支持和對用戶高度負責的售后服務贏得了輸配電成套企業的信賴,且樹立了良好的信譽。
上海上繼科技有限公司(專注電力保護繼電器生產廠家)銷售熱線:021-57233089 QQ:1932551438
{以上內容僅供參考,上海上繼科技有限公司有最終解釋權}
更多繼電器精彩文章——JY8-32電壓繼電器安裝尺寸及參數





