DL-13電流繼電器接線圖及開孔尺寸-上海上繼科技有限公司
發表時間:2019-08-06 10:09 瀏覽次數:1377 〖返回〗
一、DL-13電流繼電器的簡介
電流繼電器是電力系統繼電保護中最常用的元件。 電流繼電器具有接線簡單、動作迅速可靠、維護方便、使用壽命長等優點,作為保護元件廣泛應用于電動機、變壓器和輸電線路的過載和短路的繼電保護線路中。電流繼電器的檢測對象是電路或主要電器部件電流的變化情況,當電流超過(或低于)某一整定值時,繼電器動作,完成繼電器控制及保護作用。
二、DL-13電流繼電器的接線圖

三、DL-13電流繼電器的原理
電磁式繼電器一般由鐵芯、線圈、銜鐵、觸點簧片等組成的。只要在線圈兩端加上一定的電壓,線圈中就會流過一定的電流,從而產生電磁效應,銜鐵就會在電磁力吸引的作用下克服返回彈簧的拉力吸向鐵芯,從而帶動銜鐵的動觸點與靜觸點(常開觸點)吸合。當線圈斷電后,電磁的吸力也隨之消失,銜鐵就會在彈簧的反作用力返回原來的位置,使動觸點與原來的靜觸點(常閉觸點)吸合。這樣吸合、釋放,從而達到了在電路中的導通、切斷的目的。對于繼電器的“常開、常閉”觸點,可以這樣來區分:繼電器線圈未通電時處于斷開狀態的靜觸點,稱為“常開觸點”;處于接通狀態的靜觸點稱為“常閉觸點”。
四、DL-13電流繼電器的使用維護
1.繼電器使用前,需取去外殼,拔出機器,檢查有無在運輸中產生的損壞,如動片碰到磁板,游絲各圈相碰,動牌軸上的摩擦等,為此,將繼電器的指針整定在第一整定點上,用手將可動系統往磁板方向轉動,然后放開,可動系統應當轉回到原來位置直到止檔,然后進行必要的調整和整定。
2.繼電器在重新調整時,必須保證:
2.1可動系統的軸向活動量在0.15~0.3mm之間。
2.2動片與磁極間的氣隙,應當保證繼電器在規定的任何工作情況下,動片和磁板不得相碰。
2.3具有動合觸點和動斷觸點的繼電器,橋形觸點不得同時接觸一動合靜觸點和一動斷靜觸點。
2.4當指針由第一刻度值旋向最終刻度值時,游絲各圈不相碰。
2.5 繼電器動作時,橋形觸點應當在靜觸點的中心線上滑動(公差±lmm),動、靜觸點總氣隙不小于2mm。
2.6 靜觸點和限制片之間的距離應不大于0.3mm。
2.7 在調整繼電器的動作值時,最小整定值的調整主要是改變游絲反作用力的大小,**整定值的調整,主要是改變動片和磁板間的氣隙等。
2.8 不宜潤滑繼電器軸和軸承。
2.9 不允許用砂紙或其它粗造材料清潔觸點,宜用鋒利的刀刃或清潔的細磨石清潔觸點,然后用清潔的、柔軟的布片擦干凈,避免用手指接觸觸點。
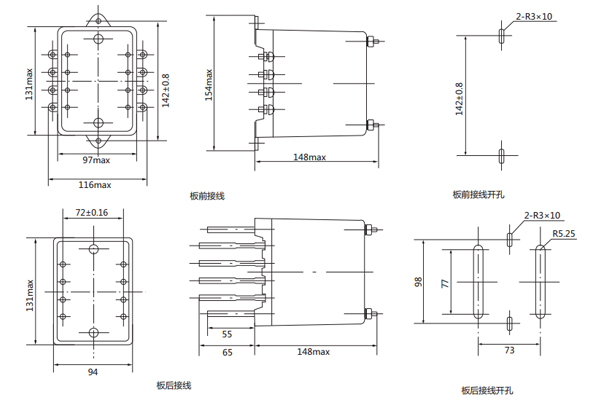
五、DL-13電流繼電器的開孔尺寸

公司介紹:上海上繼科技有限公司是一家專業從事電力系統繼電保護及智能電網電力自動化產品的研發、設計、生產、銷售和服務為一體的高科技公司。擁有資深繼電保護專家團隊和國內**的檢測儀器及校驗設備。同時還引用國內外先進技術,來進行技術創新。本公司的產品廣泛用于電力、工礦、鐵路、建筑等國家重大工程輸配變電系統上,產品遠銷東南亞及中東地區。產品通過國家繼電保護及自動化設備質量監督檢驗中心檢測,獲得ISO-9001:2000國際質量體系認證。“科技創新,誠信務實”是公司的經營理念,本公司以高超的技術支持和對用戶高度負責的售后服務贏得了輸配電成套企業的信賴,且樹立了良好的信譽。
上海上繼科技有限公司(專注電力保護繼電器生產廠家)銷售熱線:021-57233089 QQ:1932551438
{以上內容僅供參考,上海上繼科技有限公司有最終解釋權}
更多繼電器精彩文章——DL-34電流繼電器技術數據及安裝尺寸





