JWL-42電流繼電器安裝尺寸及參數-上海上繼科技有限公司
發表時間:2019-08-10 14:30 瀏覽次數:840 〖返回〗
一、JWL-42電流繼電器的概述
1、JWL-33集成電路無輔源電流繼電器用于發電機、 變壓器和輸電線的過負荷和短路保護裝置中作為啟動元件。本繼電器為集成電路靜態型繼電器,精度高、功耗小、動作時間快、返回系數高、整定直觀方便、范圍寬,無需提供直流輔助電源可完全替代電磁型電流繼電器。
2、JWL-33無輔源電流繼電器分為三個系列:JWL-10、20、30,分別替代 DL-10、DL-20、DL-30等系列電磁型電流繼電器。JWL系列無輔源電流繼電器采用撥碼開關整定電流值,改變整定值無需校驗,整定范圍寬,有利于用戶壓縮庫存品種。
二、JWL-42電流繼電器的接線圖

三、JWL-42電流繼電器的參數
1、功率消耗:交流回路功耗小于1.5VA(交流額定值5A時)。
2、整定誤差
a、整定值在2-99.9A范圍內,整定平均誤差的絕對值不大于3%;
平均誤差=(5次測量平均值-整定值)/整定值×100%。
b、在基準條件下,同一整定值上測量的5次動作值的**值和最小值應不大于的4%。
c、在-10℃~50℃的溫度下,任一整定點誤差的絕對值應不大于整定值的5%。
3、交流額定值:5A,50Hz(可長期接通15A電流)。
4、動作時間: 1.1倍整定值的動作時間不大于40ms;2倍整定值的動作時間不大于35ms。
5、返回系數:0.85-0.95
6、 返回時間:不大于27ms。
四、JWL-42電流繼電器的原理
電磁式繼電器一般由鐵芯、線圈、銜鐵、觸點簧片等組成的。只要在線圈兩端加上一定的電壓,線圈中就會流過一定的電流,從而產生電磁效應,銜鐵就會在電磁力吸引的作用下克服返回彈簧的拉力吸向鐵芯,從而帶動銜鐵的動觸點與靜觸點(常開觸點)吸合。當線圈斷電后,電磁的吸力也隨之消失,銜鐵就會在彈簧的反作用力返回原來的位置,使動觸點與原來的靜觸點(常閉觸點)吸合。這樣吸合、釋放,從而達到了在電路中的導通、切斷的目的。對于繼電器的“常開、常閉”觸點,可以這樣來區分:繼電器線圈未通電時處于斷開狀態的靜觸點,稱為“常開觸點”;處于接通狀態的靜觸點稱為“常閉觸點”。
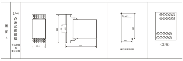
五、JWL-42電流繼電器的安裝尺寸

公司介紹:上海上繼科技有限公司是一家專業從事電力系統繼電保護及智能電網電力自動化產品的研發、設計、生產、銷售和服務為一體的高科技公司。擁有資深繼電保護專家團隊和國內**的檢測儀器及校驗設備。同時還引用國內外先進技術,來進行技術創新。本公司的產品廣泛用于電力、工礦、鐵路、建筑等國家重大工程輸配變電系統上,產品遠銷東南亞及中東地區。產品通過國家繼電保護及自動化設備質量監督檢驗中心檢測,獲得ISO-9001:2000國際質量體系認證。“科技創新,誠信務實”是公司的經營理念,本公司以高超的技術支持和對用戶高度負責的售后服務贏得了輸配電成套企業的信賴,且樹立了良好的信譽。
上海上繼科技有限公司(專注電力保護繼電器生產廠家)銷售熱線:021-57233089 QQ:1932551438
{以上內容僅供參考,上海上繼科技有限公司有最終解釋權}
更多繼電器精彩文章——JL8-12電流繼電器參數及開孔尺寸





