DZB-15BG中間繼電器技術參數及開孔尺寸-上海上繼科技有限公司
發表時間:2019-08-26 09:53 瀏覽次數:947 〖返回〗
一、DZB-15BG中間繼電器的應用范圍
DZB-15BG帶保持中間繼電器用于直流操作的各種保護和自動控制線路中 ,作為輔助繼電器以增加觸點數量和觸點容量。
DZB-15BG帶保持中間繼電器是DZB-15B的改進型。該繼電器克服了原來DZB-15B繼電器采用的繞組線徑為0.06~0.07委包線。在長期運輸中,出現的斷線缺點,提高了可靠性。其余內部接線、外形尺寸、 接線端子、使用功能等不變。
DZB-11B、12B、13B為電壓啟動,電流保持的中間繼電器; DZB-14B為電流啟動、電壓保持的中間繼電器; DZB-15B為電流或電壓工作、電流保持或電壓保持的中間繼電器。
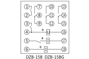
二、DZB-15BG中間繼電器的接線圖

三、DZB-15BG中間繼電器的結構
⒈線圈裝在"U"形導磁體上,導磁體上面有一個活動的銜鐵,導磁體兩側裝有兩排觸點彈片。在非動作狀態下觸點彈片將銜鐵向上托起,使銜鐵與導磁體之間保持一定間隙。當氣隙間的電磁力矩超過反作用力矩時,銜鐵被吸向導磁體,同時銜鐵壓動觸點彈片,使常閉觸點斷開常開觸點閉合,完成繼電器工作。當電磁力矩減小到一定值時,由于觸點彈片的反作用力矩,而使觸點與銜鐵返回到初始位置,準備下次工作。
⒉本繼電器的"U"形導磁體采用雙鐵心結構,即在兩個邊柱上均可裝設線圈。對于DZY、DZL和DZJ型只裝一個線圈,而對于DZB,DZS,DZK型可根據需要在另一個鐵心上裝以保持線圈或延時用阻尼片等。從而使線圈類型大不相同的繼電器都通用一個導磁體。
3.中間繼電器原理和交流接觸器一樣,都是由固定鐵芯、動鐵芯、彈簧、動觸點、靜觸點、線圈、接線端子和外殼組成。
四、DZB-15BG中間繼電器的技術參數
額定電壓:DC 220V、110V、48V、24V。
額定電流:0.25A、 0.5A、lA、2A、4A、8A。
動作值:動作電壓為額定電壓值的30~70% ;動作電流不大于80%的額定電流。
保持值: 保持電壓不大于70%額定電壓; 保持電流不大于80%額定電流。
返回值:不小于額定值的5%。
動作時間:在額定電壓下,動作時間不大于50ms。
返回時間:不大于60ms。
功率消耗:不大于7W。
觸點容量:在電壓不超過250V,電流不超過5A,時間常數為5±0.75ms的直流有感負荷電路中,產品輸出觸點的斷開容量為50W。輸出觸點在上述規定的負荷條件下,產品能可靠動作及返回5x104次。 輸出觸電長期允許接通電流為5A。
五、DZB-15BG中間繼電器的額定值
電壓額定值:額定電壓DC:12V、24V、48V、110V、220V; AC:110V、220V、380V。
動作值:動作電壓直流應不大于額定電壓70%,交流應不大于額定電壓75%;
返回值:返回電壓應不小于10%額定電壓。
動作時間和返回時間不大于15ms。
公司介紹:上海上繼科技有限公司是一家專業從事電力系統繼電保護及智能電網電力自動化產品的研發、設計、生產、銷售和服務為一體的高科技公司。擁有資深繼電保護專家團隊和國內**的檢測儀器及校驗設備。同時還引用國內外先進技術,來進行技術創新。本公司的產品廣泛用于電力、工礦、鐵路、建筑等國家重大工程輸配變電系統上,產品遠銷東南亞及中東地區。產品通過國家繼電保護及自動化設備質量監督檢驗中心檢測,獲得ISO-9001:2000國際質量體系認證。“科技創新,誠信務實”是公司的經營理念,本公司以高超的技術支持和對用戶高度負責的售后服務贏得了輸配電成套企業的信賴,且樹立了良好的信譽。
上海上繼科技有限公司(專注電力保護繼電器生產廠家)銷售熱線:021-57233089 QQ:1932551438
{以上內容僅供參考,上海上繼科技有限公司有最終解釋權}
更多繼電器精彩文章——BZS-14中間繼電器安裝尺寸及參數
- 上一篇:DZB-15B中間繼電器技術參數及接線圖
- 下一篇:JZG-44中間繼電器特點及參數





