JCH-1靜態重合閘繼電器接線圖及應用范圍-上海上繼科技有限公司
發表時間:2019-09-18 10:52 瀏覽次數:1368 〖返回〗一、JCH-1靜態重合閘繼電器概述
JCH-1靜態重合閘繼電器在輸配電線中作為三相一次自動重合閘之用,與繼電保護裝置相配合 , 將被保護斷開的斷路器自動重合一次,若為瞬時故障,重合閘后經15~25s時間自動準備好下一次動作,若為永久性故障,重合閘后保護再次將斷路器斷開,不再合閘。

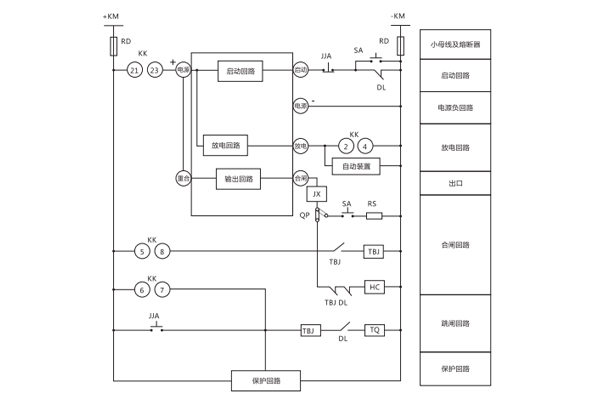
二、JCH-1靜態重合閘繼電器接線圖


三、JCH-1靜態重合閘繼電器檢驗方法說明
現場若只有一組直流電源,一個秒表可空接點啟動. 空接點停止,則測試接線如下圖:

測試步驟:
1.如圖接線,若SB1沒有可直接接到重合端子上。(復位時折掉該端子接線即可若設有5B2,則可以不接,在測試放電閉縮時用一短接線將其短接即可。
2.調節V+、 V-使電壓表指示為重合閘繼電器額定電壓值。
3.先將RP調到**,短接重合、合閘端子,再調節RP使安培表的讀數為用戶需要的合閘電流值(0.25-2.5A).4.去掉重合和合閘之間的短接線。
5.充電燈亮以后,合上開關K ,秒表啟動計時,時間到,重合閘常開觸點停止秒表計時,秒表的讀數為重合閘
的延時時間,安培表讀數為重合閘保持電流。
6. 按下SB1斷開合閘保持電流,打開開關K ,同時用手表開始計時,從K打開到充電燈亮的這段時間為重合閘充電時間。
7.按下SB2 ,充電燈滅,重合閘不能重合;放開SB2同時開始手表計時,從SB2放開到充電燈亮的這段時間應
符合重合閘充電時間的要求。
8.若合閘電流不準,則可在重合閘合閘保持的狀態下,調節RP使合閘電流為用戶要求的值,然后再斷開保持
(按SB1),待充電燈亮后,再次重合,看能否保持,若能保持說明合閘電流符合要求。
注意:在整個測試過程中V+、V-不斷電。
公司介紹:上海上繼科技有限公司是一家專業從事電力系統繼電保護及智能電網電力自動化產品的研發、設計、生產、銷售和服務為一體的高科技公司。擁有資深繼電保護專家團隊和國內**的檢測儀器及校驗設備。同時還引用國內外先進技術,來進行技術創新。本公司的產品廣泛用于電力、工礦、鐵路、建筑等國家重大工程輸配變電系統上,產品遠銷東南亞及中東地區。產品通過國家繼電保護及自動化設備質量監督檢驗中心檢測,獲得ISO9001國際質量體系認證。“科技創新,誠信務實”是公司的經營理念,本公司以高超的技術支持和對用戶高度負責的售后服務贏得了輸配電成套企業的信賴,且樹立了良好的信譽。
上海上繼科技有限公司(專注電力保護繼電器生產廠家)銷售熱線:021-57233089 QQ:1932551438
{以上內容僅供參考,上海上繼科技有限公司有最終解釋權}
更多繼電器精彩文章——ZJX-3A剪斷銷信號裝置的開孔尺寸及原理





