JCDY-2C直流電壓繼電器主要用途及開孔尺寸-上海上繼科技有限公司
發表時間:2019-10-10 15:36 瀏覽次數:757 〖返回〗
一、JCDY-2C直流電壓繼電器主要用途
JCDY-2C直流電壓繼電器系JCDY-2直流電壓繼電器改進型,除具有原繼電器的特點外,集過電壓保護、低電壓閉鎖于一體,可廣泛用于直流屏、鎘鎳電池屏,作直流系統工作狀態監視自動調節的測量元件。
二、JCDY-2C直流電壓繼電器主要技術參數
●額定直流電壓:220V、110V、48V。
●返回系數:過壓97-99%;欠壓101-103%。
●動作時間:1.1倍動作值下動作時間不大于25ms;
●返回時間:1.1倍動作值下返回時間不大于25ms;
●整定誤差:不大于±2%。
●功率消耗:不大于10W。
●觸點容量:在電壓不超過250V,電流不超過5A,時間常數為5±0.75ms的直流有感負荷電路中,產品輸出觸點的斷開容量為50W。 輸出觸點在上述規定的負荷條件下,產品能可靠動作及返回5×104次。輸出觸點長期允許接通電流為5A。

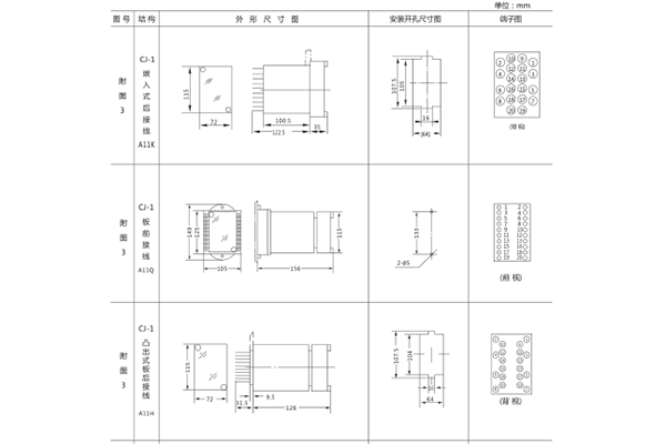
三、JCDY-2C直流電壓繼電器外形及開孔尺寸

公司介紹:上海上繼科技有限公司是一家專業從事電力系統繼電保護及智能電網電力自動化產品的研發、設計、生產、銷售和服務為一體的高科技公司。擁有資深繼電保護專家團隊和國內**的檢測儀器及校驗設備。同時還引用國內外先進技術,來進行技術創新。本公司的產品廣泛用于電力、工礦、鐵路、建筑等國家重大工程輸配變電系統上,產品遠銷東南亞及中東地區。產品通過國家繼電保護及自動化設備質量監督檢驗中心檢測,獲得ISO9001國際質量體系認證。“科技創新,誠信務實”是公司的經營理念,本公司以高超的技術支持和對用戶高度負責的售后服務贏得了輸配電成套企業的信賴,且樹立了良好的信譽。
上海上繼科技有限公司(專注電力保護繼電器生產廠家)銷售熱線:021-57233089 QQ:1932551438
{以上內容僅供參考,上海上繼科技有限公司有最終解釋權}
更多繼電器精彩文章——JX-G/1靜態信號繼電器產品圖片及產品價格





