SS-94B/1-1繼電器_SS-94B/1-1時間繼電器_廠家直銷
時間繼電器系列
SS-94B/1-1時間繼電器概述
SS-94B/1-1時間繼電器用于電力系統二次回路的繼電保護及自動控制中,作為延時元件,使被控元件達到所需延時,以實現保護的選擇性配合, 保護電力系統安全可靠運行。
SS-94B/1-1時間繼電器結構特點
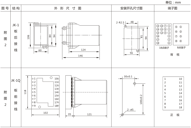
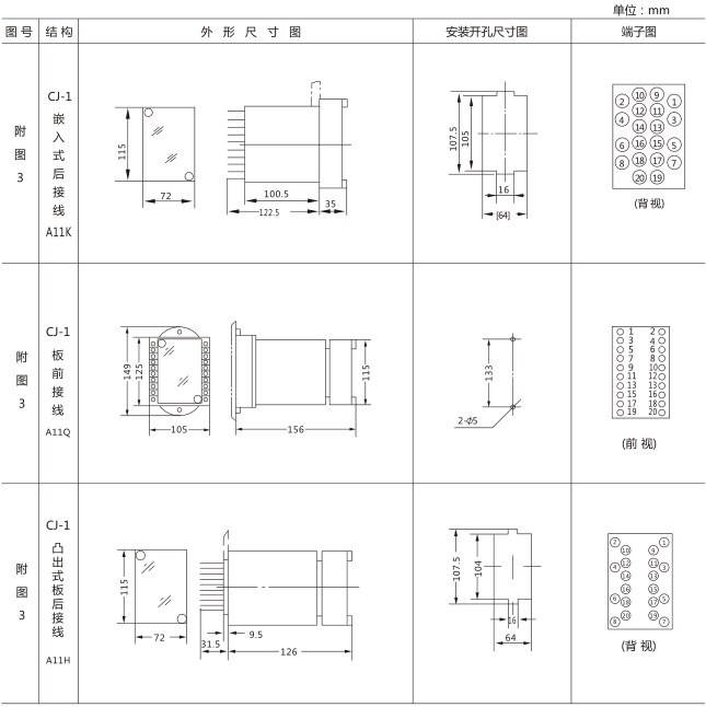
SS-94B/1-1時間繼電器采用A11K、 A11H、 A11Q、 JK-1、 JK-1Q殼體,外形尺寸、 安裝尺寸見本手冊附錄。可方便地改變整定值,拔出機芯,可方便地進行維修。整定值采用數碼撥盤整定,采用晶體振蕩器減小了誤差。增加了時間補償預置電路,對于極短的延時值具有極高的精度。
SS-94B/1-1時間繼電器主要技術參數
SS-94B/1-1時間繼電器主要技術數據見表。

SS-94B/1-1時間繼電器背后端子接線圖及外引接線圖 (背視圖)

SS-94B/1-1時間繼電器外觀及開孔尺寸





打印當前頁
發郵件給我們: 1932551438@qq.com
手機: 18930817953




