DLS-20型雙位置繼電器_工作原理_繼電器廠家
產品概述
DLS-20雙位置繼電器概述
DLS-20雙位置繼電器用于直接操作的各種保護和自動控制中,以實現機械閉鎖,并有位置指示。
DLS-20雙位置繼電器結構特點
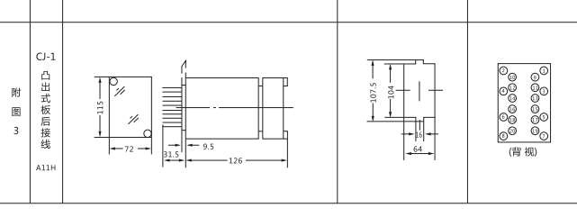
該繼電器采用JK-11K、 H、 Q型標準化殼體,具有嵌入式板后接線(JK-11K)、凸出式板后接線和凸出式板前接線(JK-1Q)三種結構形式。
產品參數
DLS-20雙位置繼電器參數
DLS-20雙位置繼電器主要技術數據見表 。

產品尺寸
DLS-20雙位置繼電器背后端子接線圖

DLS-20雙位置繼電器外形及開孔尺寸



